ENDFED VOOR 400 W

update 1-4-2020

ALWEER EEN ENDFED ZAL GEDACHT WORDEN MAAR NU MET WAT MEER VERMOGEN.

KLOPT HELEMAAL IK HEB HET HIER OVER 400 WATT EFF. VERMOGEN DAT IS HEEL WAT

ANDERS DAN 400 WATT PEP. DAN NOG IETS WAT ZEER BELANGRIJK IS; TEGEN CAPACITEIT.

TEGEN CAPACITEIT STAAT OF VALT DE HELE ENDFED, VELEN BEWEREN DAT DIT NIET NODIG

IS, MAAR VERGETEN DAT DAN DE COAX AFSCHERMING GEBRUIKT GAAT WORDEN ALS TEGEN CAP.

DIT IS NIET ERG ALS JE DAAR REKENING MEE HOUD EN ZORGT DAT HET NIET BIJ JE TRX KAN KOMEN.

EEN MANTELSTROOM FILTER LIGT VOOR DE HAND DEZE B.V.B. , MAAR ZAL VLAK BIJ DE ENDFED NIET

WERKEN OMDAT DAAR DE STROOM TE KLEIN IS EN DUS DE BESTE KEUZE IS OM DAN 1/4 GOLF VAN DE

LAAGSTE FREQUENTIE TE KIEZEN , EN DIE LENGTE MOET ALS ONDERDEEL VAN JE ANTENNE SYSTEEM

BESCHOUWD WORDEN. ALS HIER REKENING MEE WORD GEHOUDEN IS ER VERDER NIKS MIS MEE.

JE WEET DAN DAT DIT STUK COAX BIJ JE ANTENNE HOORT, WEET OOK DAT DIT STRALEN KAN.

VERDER STAAT HEEL GOEDE UITLEG BIJ HFKITS OP DE SITE EN OOK MATERIAAL VOOR DIT TE

MAKEN EN OOK DE RINGKERNEN KABEL ENZ. EN ZELFS BOUWPAKKETTEN KIJK HIER VOOR DE UITLEG,

DIE ZEER DUIDELIJK IS, EN VERDER ZET IK MIJN GEBOUWDE ENDFED HIER OP DEZE SIMPELE SITE. 

 

PRIM = 2 WNG EN SEC.  2X 7 WDG  EN 1X FT 240-43 VOOR 100 WATT EFF.

DIT IS EEN RINGKERN DE STANDAARD UITVOERING .

Meeting met 2700 ohm weertand aan rinkern

BOUWBESCHRIJVING STAAT HIER zeer duidelijk beschreven met 1 ringkern versie.

UIT MIJN TESTEN BLIJKT 1 RINGKERN VERSIE FT240-43 IS GOED VOOR 100 WATT eff.

Ook is me mee gevallen in praktijk het gebruik in contesten.

Eerst had ik een G5RV ophangen op 9 meter hoogte, en jaren gebruikt.

Nu op deze zelfde plek de Endfed 20m lang met nog spoel 110 uH en 3,6 m draad voor 80m

Door de jaren heen weet je welke stations lastig te werken zijn, en tot mijn stomme verbazing

waren deze stations nu zonder herhaling te werken, nu misschien nog wat voorbarig,

maar betekend toch dat het er op gaat lijken dat de afstraling iets beter is.

waarschijnlijk komt dit dat ik de eerste 8 a 9 meter schuin 45 gr omhoog heb lopen

en de resterende 11 a 12 meter horizontaal op 9 meter hoogte.

Voordeel na mijn mening is dat ik nu een deel verticaal en horizontale afstraling heb.

De ENDFED"S zitten geheel achter in de tuin (30m H100 coax) en TEGENCAP. gebruik

ik het 2,20m hoge gegalvaniseerde hekwerk dat 60 M lang is en 20m vanaf de ringkernen

heb ik het Mantelstroom filter zitten voor de zekerheid. Omdat 80m op het moment

de laagste band is die ik gebruik. Hieronder volgen de meet resultaten en mijn verdere

bevindingen, alle testen zijn uitgevoerd in FT8 omdat ik dan de TRX simpel automatisch 

15 sec in en 15 sec uit signaal kon laten maken, dus de zwaarste belasting voor de ringkernen.

Op 80m was de test in FT8 na 20 min de temp toch nog flink opgelopen maar dit zijn ook

extreme testen , de buiten temp was 24 gr. en de zon stond op het kastje zie hieronder foto.

 

108 gr is behoorlijk warm na 20min FT8 op 80m, dit op 40m nog maar 40 Gr.

Dus verlies op 80m is meer, maar ik word wel beter gehoord dan voorheen

met de G5RV waar ook die zelfde hoogte hing. Het verlies schat ik zelf

in op 10% door de gegevens van de ringkern in te zien, dus 10 watt

warmte bij 100watt zend vermogen, dat de standaard trx tegenwoordig

heeft, 10 watt minder hoor je echt niet maar de warmte zeker in de zomer

en dan nog met zon op het doosje speelt wel een rol, maar dit is echt extreem.

Met gewoon SSB of CW in contest gemeten is dit nog 35 a 40 Gr das toch mooi.

Waar ik bang voor was is gelukkig mee gevallen ik heb het over ruis en storing.

Dit verbaast me eigenlijk, kan zijn omdat ik toch een 5 meter verder van mijn

huis af blijf, toch misschien een rol speelt. Dus al met al een meevaller, ik

moet toegeven dat ik eerst er heel anders over dacht dan nu na de test en metingen.

Hieronder is te zien dat Tegen Cap. via draad achterlangs (20 cm lang) aan 60m lang hek zit,

Hiermee met 100 watt ww RTTY contest en ook PSK enz mee gedaan, met prima resultaat.

400WATT VERSIE

Dit word een heel ander verhaal. Ik ben begonnen met 2 x FT240-43 op elkaar te plakken.

NU IS HET WEL ZO DAT DE 10M ONGEVEER SWR 1:7 IS EN MET TUNER BIJ TUNEN.

SWR IS VAN 1 T/M 21 MHZ KLEINER DAN 1:1,8.(rode lijn)

HET BRUIKBAAR STUK VOOR 400 WATT eff IS VAN 7 MHZ T/M 28 MHZ

DIT UITVOERIG GETEST OOK MET CONTESTEN.

NADEEL IS WEER 80M WORD WEER TE WARM BENEDEN DE 7 MHZ MET 400 WATT.

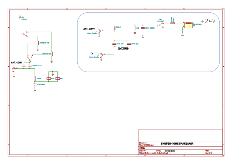
DUS HEB IK NOG EEN ENDFED GEMAAKT MET 3 RINGKERNEN VAN TYPE FT240-43.

OMDAT IK HET TE VEEL WERK VOND OM WEER 30M COAX VAN GOED KWALITEIT TE

GAAN LEGGEN, HEB IK DE HANDEL OM SCHAKELBAAR GEMAAKT MET 2 RELAIS VAN 24 VOLT

EN OP EEN STUK FERRIET STAAF EEN SPOEL GEWIKKELD VAN 200 uH EN SCHEIDING CAP. VAN

2x10 nF CSMD 2KV PARALLEL ZODAT IK OVER DE COAX DE RELAIS KAN BEDIENEN EN ZO VAN ENDFED

KAN WISSELEN, VANDAAR AAN DE BINNENKANT TEGEN DE WAND DIE 2 RELAIS VAN 10A 24 V.

ACHTERAF NOG MET TESTEN BLIJKT DAT 1X 10nF(1,5KV) IN CSMD UITVOERING VOLDOET, DEZE HEBBEN

TOCH EEN ZEER LAGE ESR WAARDOOR MET GEMAK 500 WATT KAN VERDRAGEN IS HIER GETEST.

IK SCHAKEL ZOWEL DE INGANG ALS UITGANG OM, DE UITGANG ZOU OOK EEN APARTE

ANTENNE VOOR GEKOZEN KUNNEN WORDEN, BESPAART EEN RELAIS, MAAR NOG MEER DRAAD

DOOR DE TUIN WILDE IK EVEN MEE WACHTEN HOE DIT ALLEMAAL BEVALT.

 

HIERBOVEN NOG DE 2 OP ELKAAR GELIJMDE RINGKERNEN LINKS 2 RELAIS LINKS ONDER WAAR WITTE DRAAD

AAN ZIT ZITTEN 2 STUKS CSMD VAN 10nF 3KV PARALLEL, ONDER DE RELAIS ZIT DE FERRIET STAAF VAN 200uH.

NU 3X FT240-43 OP ELKAAR  VOOR 1MHZ T/M 10 MHZ RUIM 400 WATT

OVERAL EEN BIJNA ONGELOOFLIJK GOEDE SWR LAGER DAN 1 : 1,5 ZEER

LAGEN VERLIEZEN , DE KERNEN GEVEN BIJ 400 WATT GEEN KRIMP.

DIT KOMT OOK NIET ALLEEN 3 KERNEN OP ELKAAR MAAR MEER WINDINGEN (21)

IS DUS MEER ZELFINDUCTIE EN DE TRAFO HEEFT HIERDOOR VOOR LAGE FREQUENTIE

EEN VEEL BETER RENDEMENT, IK BEN ZEER TEVREDEN MET HET RESULTAAT!

PRIMAIR 3WDG EN SEC. 21 WDG 1,5 MM DIK

PRIMAIR 3WDG EN SEC. 21 WDG 1,5 MM DIK

EEN VREEMDE SWR (rode lijn) DIP ROND 28 MHZ IS DAAR PLOTS BETER MISSCHIEN BEDRADING CAP. ?

DIT IS OOK MIJN HIER GEBRUIKTE ANTENNE VOOR 10M-80M

KLAAR EVEN WAT WIT GEMAAKT VOOR ZONLICHT, MINDER WARMTE.

HIER NOG EEN TEKENING VAN HET OMSCHAKELEN ENDFED , IS ERG SIMPEL MAAR TOCH.

BELANGRIJK IS DE ZEKERING NET IETS HOGER TE KIEZEN DAN DE STROOM VAN DE RLAIS.

BIJ KEUZE RELAIS IS HET VEILIG DAT JE ER EEN UITZOEKT DIE WEINIG STROOM NODIG HEEFT

BIJ MIJ LOOPT ER IETS VAN 80 mA , EN ZEKERING IS 100mA , DE REDE IS , STEL JE MAAKT DE

GROTE FOUT EN SLUIT DE PLUGGEN VAN HET STURING DEEL VERKEER OM AAN, DAN KOMT

24V OP JE INGANG VAN JE ONTVANGER TE STAAN, DAT IS FOUTE BOEL, MEESTAL LOOPT

DIT GOED AF MAAR KAN OOK EEN SPOELTJE AAN ZITTEN JE WEET NOOIT DAN BEN JE BLIJ

DAT ER NIET MEER STROOM KAN LOPEN DAN DIE 100mA EN DAN HOPEN DAT NOG ALLES HEEL IS.

DUS HIER IS HET GOED OPLETTEN DAT DE 24V NAAR DE ANTENNE KANT GAAT!

GEBRUIK VOOR DE 10nF LIEFST EEN CSMD MULTILAYER CONDENSATOR OF EEN ANDERE DIE ZEER

LAGE ESR HEEFT OMDAT DAAR DIE 400 WATT DOOR MOET DUS IETS VAN 3 A MOET AAN KUNNEN.

 

VEEL PLEZIER MET DEZE ENDFED IK BEN TEVREDEN MET DEZE METHODE.

DRAAD ANTENNE

PA3I

Vertical antenne voor de vakantie is handig.

Een soort glasfiber hengel 12,50 M lang besteld bij "DX WIRE"

Met balun en 11 M draad verticaal kan ook natuurlijk in horizontale richting!

Nu eerst de 1:9 Balun, gebruik GEEN rode kern zoals hier!!

Hier even een tekening, gevonden uit een Duits blad, hoe de 1:9 Balun
opgewikkeld moet worden, doe dit op 4C65 kern kleur paars, de nieuwe
kleur is ook wel wit/bege, maar de Amidon T200-2 kleur rood werkt niet goed!!!!
Gebruik 9 a 10 windingen op de BEGE (vroeger Paars) 36mm diam.  Of gebruik

een vervangger de FT140-61 is gelijk aan de 4C65 en goed verkrijgbaar.
Draad dikte is hier 1,5 mm, later bleek 1 mm prima te voldoen met 10 windingen.

Hieronder nog even wat plaatjes met de T200-2 die niet goed werkt, dus deze
na maken wel met paarse kern dus 4C65 materiaal of FT140-61. (10 wng is niet afgebeeld)

Dit is een meetopstelling, gebruik geen 7 maar gebruik 10 windingen

van 1mm of 1,5 mm draad op een BEGE 4C65 kern van 36mm diam.

De pvc aansluiting is 75 mm rond met schroef deksel, alles uit de bouwmarkt.

Onderkant sluiten met een metsel deksel, en alles is water dicht!!

Gebruik eventueel onder de pl plug wat siliconenkit.

Hieronder nog wat metingen gedaan waaruit blijkt dat de T200-2 kern
een verkeerde keuze was, jammer van al het werk. Dit alles opnieuw
gemaakt met een paarse 4C65 kern (ook verkrijgbaar bij de Veron)
werkt deze prima van 30 Mhz t/m 3,5 Mhz band.

De FT140-61 of de 4C65  in de Nieuwe kleur met 10 windingen, Draad dikte 1 mm.

Zet de uiteinde vast met een Tyrep.

Vakantie Vishengel-ant. + Balun 1:9  Hengel is 12,5m lang, draad is 11 m lang.
Deze gebruik ik al enkel jaren, werkt prima in combinatie met de simpel LC tuner
ook hier op de site afgebeeld, alles bruikbaar tot ruim 150 watt.
Zie hieronder de zelfbouw

Het bekende blikken doosje gebruik en de plug er in gesoldeerd (waterdicht) kan ook event.
met kit waterdicht gemaakt worden, dan heeft men minder soldeer werk.
Dooje is 70mm L, 55mm Br, 30mm Hoog.

Onder aanzicht met een rubber bevestiging voor op de Vishengel.

Boven aanzicht met rubber, deze rubber hadden ze bij een leger dump, hier kan met wat eigen idee
ook wat op verzonnen worden, of kijk een bij de camping winkel.

Onder in het doosje eerst even een dun teflon vel geplakt kan ook wat ander kunststof pvc vel zijn.
daarna kan wat siliconenkit gebruikt worden om de kern wat vast te zetten in de doos.

Even buiten proberen , er zit nog geen bananenstekker aan het draadje van 11m, zit er zo even ingestoken werkt prima!!
Wel een tuner nodig omdat je altijd wel op een andere plaats zit en dus omgeving gevoelig is.
Zal er toch soms de SWR meer afwijken dan onder in het tabel, toch is mijn ervaring dat dit meestal wel meevalt.

Indien genoeg coax gebruikt word (23 m).
Daarna al men uit getest is kan wat siliconenkit gebruikt worden om de kern wat vast te zetten in de doos.
Daar er altijd wel mensen rond lopen moet je goed op letten met groot vermogen, DENK aan de KINDEREN!!
Het ziet er tenslotte uit als een vishengel, en men ziet een draadje, en meestal  voor dat ze
vragen wat het is en zitten er gelijk aan te voelen of het een vissnoer is.
Ik heb op deze wijze al vele stations gewerkt VE, Ja, enz.

Voor 80m zou men de hengel beter scheef laten hangen zodat er wat meer horizontale afstraling is.

 

Hierboven een lijstje wat er zo geprobeerd is, voor de vishengel van 12,50 M gebruik ik 11 Meter draad.

Maar de lijst hierboven is toegepast met 23 meter coax en dan pas een mantelstroom filter.

Dus het doosje buiten niet aarden daar anders de ant. weer als gp gaat werken.

Dus voldoende coax daar de eerste 23 meter de afscherming tevens als tegencap. werkt.

Voor een horizontale draad gebruik ik 16,20 M draad, is geel gekleurd , deze komt het best swr op alle banden uit.

Natuurlijk zijn er veel betere antenne's te bedenken maar dit is snel en simpel gemaakt en werkt ook nog!

Succes met de na bouw.

Maak jouw eigen website met JouwWeb